فهرست مطالب
- 1 کلید قطع و وصل DC فشار متوسط
- 2 انواع کلید قطع و وصل مدار جریان مستقیم ولتاژ متوسط
- 3 کلید قطع و وصل مدار جریان مستقیم فشار متوسط حالت جامد
- 4 مزایا و معایب کلید های SSCB
- 5 بریکرهای مدار DC ولتاژ متوسط هیبریدی (HCBها):
- 6 استفاده از UFMS
- 7 سوئیچ مکانیکی فوق سریع در بریکر مدار DC هیبریدی ولتاژ متوسط:
- 8 سوئیچ سریع مبتنی بر القا
- 9 سفارش ساخت تابلو برق فشار متوسط
کلید قطع و وصل DC فشار متوسط
این وسیله برای کاربرد در کشتیها، متروهای شهری، قطارهای برقی، ریزشبکهها (وسایل نقلیه الکتریکی)، تولید پراکنده (انرژی خورشیدی) و سیستمهای مبتنی بر باتری (مراکز داده) مناسب هستند. امپدانس مدار نسبتاً پایین در حالت DC منجر به دامنههای بالاتر اتصال کوتاه میشود. علاوه بر این، از آنجا که سیمپیچهای ترانسفورماتور در ثابت زمانی کلی در سیستمهای DC نقشی ندارند، ثابت زمانی کلی کاهش مییابد و یک اتصال کوتاه میتواند زمانهای خیزش به کوتاهی چند میلیثانیه داشته باشد. فروپاشی ولتاژ همچنین ممکن است در جایی اتفاق بیفتد که حفظ حداقل 80٪ از ولتاژ DC اسمی، پیششرط عملکرد عادی ایستگاه مبدل منبع ولتاژ (VSC) باشد. برای به حداقل رساندن اختلالات عملکرد مبدل، خطا باید در عرض چند میلیثانیه برطرف شود، به خصوص برای ایستگاههایی که به خط یا کابل معیوب متصل نیستند. با ما در این مقاله از وبلاگ آداک، شرکت طراحی و ساخت تابلو برق صنعتی همراه باشید تا در این زمینه بیشتر بدانید.

انواع کلید قطع و وصل مدار جریان مستقیم ولتاژ متوسط
سه نوع اصلی کلید قطع و وصل در بازارهای LVDC و MVDC عبارتند از کلید قطع و وصل مدار حالت جامد (SSCB)، بریکر مدار مکانیکی (MCB) و کلید قطع و وصل ترکیبی (HCB) که ترکیبی از SSCB به صورت موازی با یک سوئیچ مکانیکی فوق سریع (UFMS) است. MCB های AC LV و MV مبتنی بر هوا و SF6 معمولی، قابلیت قطع جریان مستقیم مشخصی دارند که تنها به چند کیلوولت و چند آمپر محدود میشود.
کلید قطع و وصل مدار جریان مستقیم فشار متوسط حالت جامد
توپولوژیهای SSCB معمولاً بر اساس تعداد مشخصی از تریستورهای کموتاسیون گیت مجتمع (IGCT)، تریستورهای خاموشکننده گیت (GTO) یا ترانزیستورهای دوقطبی گیت عایقبندی شده (IGBT) هستند که به صورت سری متصل شدهاند. اگرچه زمان پاسخ فوقالعاده سریع است، اما یکی از معایب آن، تلفات قابل توجه در حالت روشن است که معمولاً در محدوده 15 تا 30 درصد تلفات یک ایستگاه VSC است. هزینههای بالای قطعات، عدم ایزولاسیون گالوانیکی و ظرفیت جذب حرارتی ناکافی از دیگر معایب هستند.

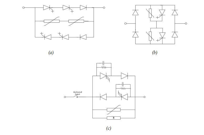
شکل 1 نوعی از طراحی مدارشکن DC ولتاژ متوسط حالت جامد را نشان میدهد:
شکل 1: الف) کلید قطع و وصل حالت جامد دو جهته ولتاژ متوسط مبتنی بر IGCT، (ب) کلید قطع و وصل حالت جامد دو جهته ولتاژ متوسط مبتنی بر IGCT، (ج) کلید قطع و وصل حالت جامد دو جهته مبتنی بر GTO
مزایا و معایب کلید های SSCB
توپولوژیهای مختلف SSCB پیشنهاد شدهاند. با این حال، اکثر آنها برای ولتاژهای ≤ 1 کیلوولت، به ویژه برای جریانهای کم ≤ 1000 آمپر هستند. لازم به ذکر است که یکی از چالش برانگیزترین جنبههای فناوری SSCB، تلفات بالای حالت روشن است و اگرچه برخی مقالات گزارش میدهند که یک SSCB ولتاژ متوسط سطح ولتاژ MV مانند 6-15 کیلوولت را برآورده میکند، اما آنها معمولاً برای جریان نامی کمتر از 1000 آمپر هستند، اما ظرفیت انتقال توان مورد نیاز در برخی از مگاواتها تا چند ده مگاوات با حداقل 3 ماژول موازی (3P:3*3.72 مگاوات) خواهد بود.
بنابراین، توسعه یک قطع و وصل DC با توان نامی کمتر از 10 مگاوات برای معماریهای MVDC آینده تقریباً بیفایده میشود. فناوریهای نیمههادی قدرت فعلی نمیتوانند چنین توانهای نامی را برآورده کنند؛ در نتیجه، SSCBها برای معماریهای MVDC آینده منجر به طراحی فشرده، مقرونبهصرفه و بسیار کارآمد نخواهند شد. در این راستا، دمندههای هوای نسبتاً بزرگ با ظرفیت حدود شش هزار فوت مکعب در دقیقه و/یا خنککننده فعال آب برای سطوح چند کیلوواتی تلفات حالت روشن پیشبینیشده برای جریانهای بالا مورد نیاز هستند.
بریکرهای مدار DC ولتاژ متوسط هیبریدی (HCBها):
بریکرهای مدار DC فشار متوسط هیبریدی شامل یک مسیر هدایت جریان و یک مسیر قطع جریان هستند. یک بریکر هیبریدی، تلفات رو به جلوی فوقالعاده کم یک سوئیچ فوق سریع خالص را با عملکرد سریع یک بریکر حالت جامد در مسیر موازی ترکیب میکند. بریکر اصلی در یک مسیر موازی قرار گرفته و از یک سوئیچ حالت جامد سری و موازی که به صورت سری به هم متصل شدهاند، ساخته شده است. یک شرکت، یک ماژول HCBand ماژولار را مطابق شکل 2 با ولتاژ و جریان نامی و قابلیت قطع جریان به ترتیب 6.2 کیلوولت و 600 آمپر توسعه داده است.

شایان ذکر است که محفظه قوس سوئیچ فوق سریع صرفاً باید ولتاژ کافی برای انتقال جریان و تسهیل فلسفه موازیسازی ماژولها تولید کند. در تمام طرحهای SSCB و HCB، یک جداکننده جریان باقیمانده (RCD) و یک مقاومت شنت برای اندازهگیری جریان نشان داده شده در شکل 2 مورد نیاز است. هنگامی که جریان به مقدار کمی که توسط جریان نشتی وریستور اکسید فلزی (MOV) مشخص شده است، کاهش مییابد، جداکننده باز میشود و سیستم را ایزوله میکند و از هرگونه جریان نشتی از طریق نیمههادیها و MOV جلوگیری میکند.
استفاده از UFMS
UFMS مسیر اصلی فقط باید ولتاژ به اندازه کافی بالایی تولید کند تا جریان را به بریکر IGBT موازی کامل تبدیل کند. مقاومت بریکر DC کمکی، Rdson در 2 کیلوآمپر، و سوئیچ مکانیکی سریع باید کمتر از 20 میلیوات باشد تا ویژگیهای مشابهی با یک بریکر مدار الکترومکانیکی داشته باشد. استفاده از UFMS در مسیر اصلی منجر به تلفات حالت روشن و ولتاژ رو به جلو کمتر از یک SSCB کامل میشود.
طرح پیشنهادی میتواند نسبت به HCB های ولتاژ بالای تولید شده توسط ABB و Alstom مفید باشد، زیرا (اولاً) هیچ تلفات نیمههادی حالت روشن وجود ندارد، (ثانیاً) مدار کنترل آن سادهتر خواهد بود، و (ثالثاً) میتوان از “سوئیچ الکترونیک قدرت” گرانقیمت در مسیر اصلی اجتناب کرد. در واقع، تنها یک UFMS میتواند جایگزین “سوئیچ الکترونیک قدرت” و جداکننده سریع پیشنهادی ABB برای مسیر اصلی شود.
با این حال، باید اطمینان حاصل شود که مقاومت کنتاکت UFMS بیش از کنتاکتهای الکترومکانیکی معادل نباشد و قابلیت تحمل نیروی نگهدارنده 4.45×10-7 I2 N (یعنی > 178 N برای 10x ورودی هجومی در 2 kA با ضریب ایمنی 2x یا 356 N) را داشته باشد.
سوئیچ مکانیکی فوق سریع در بریکر مدار DC هیبریدی ولتاژ متوسط:
چالشهای تحقق فلسفه ذکر شده عبارتند از اینکه آیا چنین سوئیچ های فوق سریعی را میتوان برای سطوح MV توسعه داد، و آیا افزایش ولتاژ قوس برای کموتاسیون به اندازه کافی زیاد است، و آیا طراحی مشابه برای RCB امکانپذیر است. پاسخ ممکن است برای همه سوالاتی که در زیر مورد بحث قرار گرفته است، مثبت باشد.
محرکهای سیمپیچ تامسون الکترومغناطیسی (TC) که بر اساس نیروهای جاذبه یا دافعه بین هادیهای حامل جریان کار میکنند، برای سوئیچینگ سریع بسیار مناسب هستند زیرا میتوانند از طریق کنترل دقیق به شتابهای بالایی دست یابند. تاکنون، دو تکنیک مبتنی بر TC برای سوئیچهای مکانیکی فوق سریع پیشنهاد و به خوبی شرح داده شده است، که در آن تکنیک با سیمپیچهای سری از نظر راندمان از تکنیک مبتنی بر القا بهتر عمل کرده است. این دو تکنیک همچنین توسط مدلسازی اجزای محدود Multiphysics مقایسه شدهاند.
یک بریکر محدودکننده جریان خطا (FCLCB) تک فاز ۱۲ کیلوولت (ولتاژ نامی) و ۲ کیلوآمپر (جریان نامی) / ۲۰ کیلوآمپر (اتصال کوتاه) و یک FCLCB ۲۴ کیلوولت، ۳ کیلوآمپر / ۴۰ کیلوآمپر که امکان خاموش کردن قوس را بدون هیچ گونه خنکسازی اجباری قوس در مدت زمان ۱۰۰ تا ۳۰۰ میکروثانیه فراهم میکند، طراحی و ساخته شدند.
سوئیچ سریع مبتنی بر القا
این کلید با جریان نامی ۷ کیلوآمپر، یک کنتاکت HCB به وزن تقریبی ۲ کیلوگرم را با شتاب اولیه تقریبی ۴۴۹۰۰ متر بر ثانیه شتاب میدهد که منجر به جداسازی کنتاکت ۴ میلیمتری پس از حدود ۴۲۲ میکروثانیه میشود، که برای مقاومت در برابر ولتاژ نامی سوئیچ ۳ کیلوولت کافی است. این حرکت سریع باید در پایان حرکت میرا شود تا از حرکت بیش از حد، پرش، خستگی و سایر اثرات نامطلوب جلوگیری شود.
سفارش ساخت تابلو برق فشار متوسط
اگر به دنبال خرید تابلو برق فشار متوسط با گواهینامه تایپ تست هستید، کافیست هم اکنون با کارشناسان آداک تماس بگیرید تا در این خصوص از خدمات مشاوره رایگان ما بهره مند شوید. به پشتوانه سال ها تجربه در طراحی و تولید انواع تابلو برق فشار متوسط برای داخل و خارج کشور، ما آماده همکاری با شما عزیزان هستیم. شماره تلفن های ما 02144491255 و 02634156000 است.

منبع مقاله: وبسایت switchgearcontent.com











